Gyraf Audio's Obscure Schematics

Here's some schematics and information that can be hard to find elsewhere. If you have some schematics that you think belongs among these, please do not hesitate to contact me.. I hope to be able to extend this little collection with time, so check back for updates.
NOTE: Some of the larger .gif-files dosen't show correctly in some browsers. If you have that problem, instead "right-click" on the link and select "save target as.." to save to your harddisk - and view it from there.
Mic Preamps:
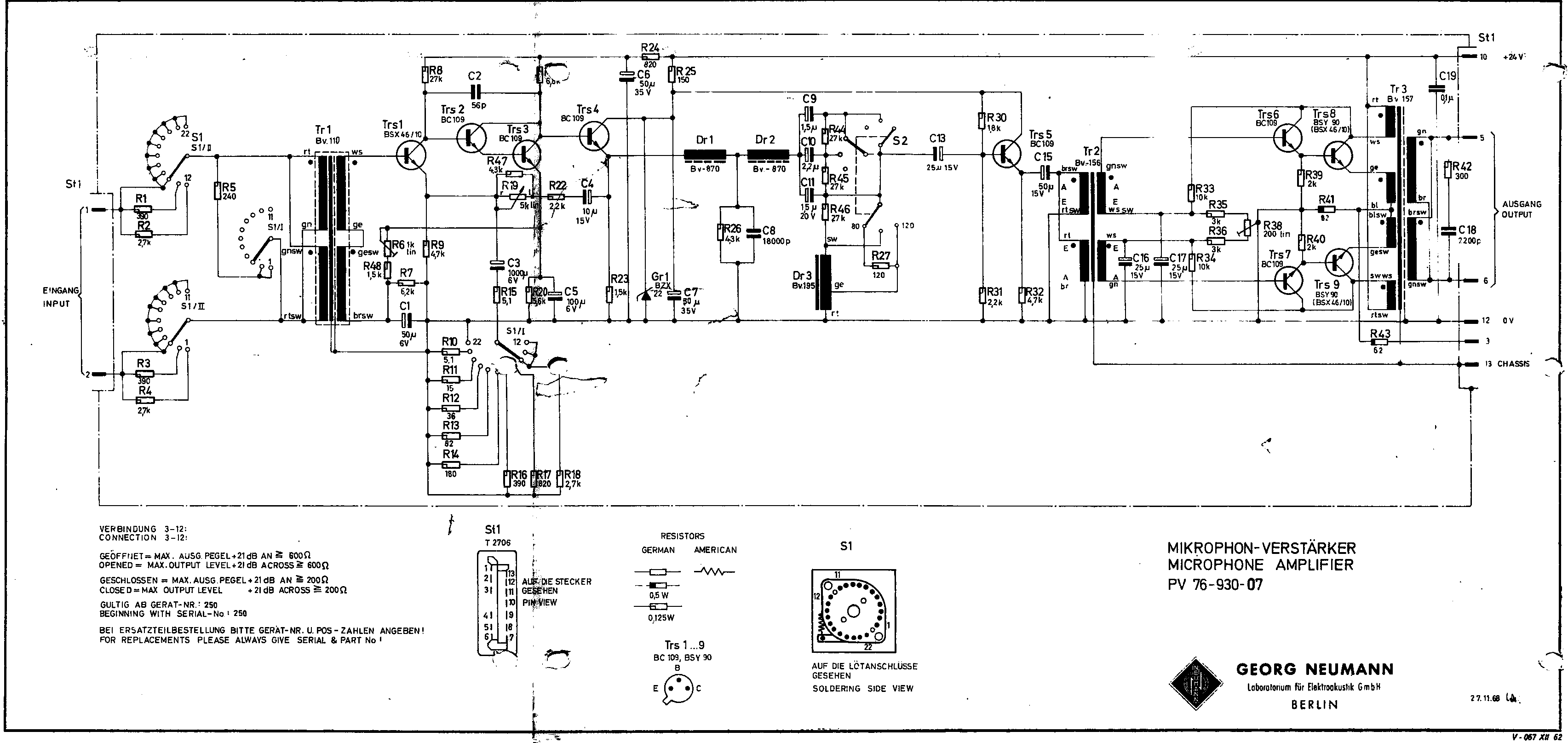
Neumann_PV76 Mic Preamp
Neumann V476 Mic Preamp
Disa 91b21 Microphone preamp (!!)
Tube-Tec MP1A Preamp
NTP 179-270 Mic pre and Compressor
Amek M-2500 Mic pre stage
Calrec UA8000 mic/line input stage
Calrec 1061 input channel w/ EQ.
Equalizers:
Neumann PEV Equalizer
Ear 825 "Passive" tube eq
Sontec 430C EQ
Sontec MEP250a
Pultec PE1A Equalizer
Pultec HLF3 Passive High/Low-cut Filter
Pultec MEQ5 EQ Section
Amek M-2500 EQ-stage
Langevin EQ251A Passive - Thanks to mr. Rick Chinn
Klein & Hummel UE-400 EQ
Klein & Hummel UE-100 Tube EQ:
KH_UE100_equalizer.pdf - Thanks to Zebra50!
Klein & Hummel UE-1000 Discrete EQ:
KH_UE-1000.pdf
Compressors:
Siemens U273 Diode-based Limiter
CBS_Audimax_440.gif
DISA 91N02 Limiter - inspiration source for Manley's Vari-Mu
CCA LA-1D limiter/AGC w/ 6386 tube
Drawmer 1960 (original version) (Removed by request from the manufacturer)
NTP_179-140_Manual.pdf (1.8Mb)
NTP_179-160_Compressor.PDF (1MB)
NTP_179-300_Limiter_card.pdf (700Kb)
Drawmer DS-201 Gate (temporarily removed)
Drawmer DS-202 Gate (temporarily removed)
Microphones:
AKG SolidTube schematic (Electrect!)
AKG C414 (The old version)
AKG C414B-TL
AKG C414B-ULS
AKG C422 - Dual 414
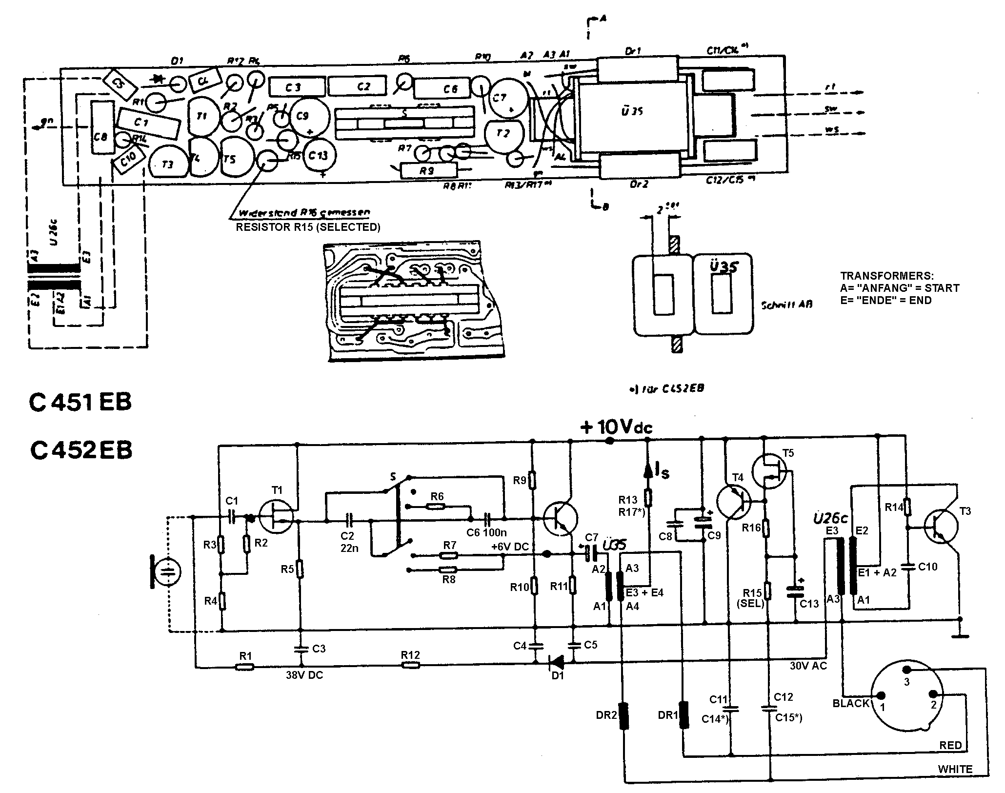
AKG C451E
AKG C451EB
AKG C535EB (Eltrect!)
Neumann Handheld Microphone
Neumann KM74i
Neumann KM73 - KM74 - KM75
Neumann_KM83-84-85
Neumann KM86
Neumann KM88i
Neumann U89
Gefell MT71S
Radiometer Microphone (Danish)
Sennheiser MKH-105
Sennheiser MKE-401
Sennheiser MKH-405
Sennheiser MKH-435
The "Thermo bottle"
Schoeps N-221-B w/AC701
Senheisser MD421 mechanical drawing
Sony_C37P.pdf
Sony_C38A_C37FET.pdf
Sony_C38B.pdf
Sony_DC-DC_Converter.pdf
A Japanese article about the Sony C800 Microphone:
Sony C800G Schematic - with component values..
Sony C800 Page 01
Sony C800 Page 02
Sony C800 Page 03
Sony C800 Page 04
Sony C800 Page 05
Sony C800 Page 06
Sony C800 Page 07
Mixers:
SSL 4000E Mixer:
SSL 4000E Input amplifiers - early version, 1979
SSL 4000E Input amplifiers - recent version
SSL 4000E Quad VCA, inserts, Compressor time constants
SSL 4000E Bus compressor time constants, quad fader, autofade
SSL 4000E talkback compressor
Neotek Elite Mixer:
Input channel "A" board
Input channel "B" board
Mixbus amplifiers
Aux mixbusses
Controlroom, Studio and Solo
Balanced outputs
Power supply
Mackie CR1604 VLZ
Allen&Heat (1980'es)
Other devices of interest:
Neumann PV15 Isolation Amplifier
Neumann PV46 Line Amplifier
Neumann W444 active fader module
Neumann 472 Isolation amplifier
Neumann 482 Distribution amplifier
Neumann V475 Mixbus amplifiers
Neumann WE66 RIAA playback equalizer
Bridged attenuators layout
NTP paper describing NTP 179-120, 179-160, 179-230, 179-400, 182-100, 182-200, and old Pricelist
VCA's and discrete opamps:
Aphex_1537A_VCA.pdf
Aphex_VCA_505_card.pdf
VCAs_Ben_Duncan.pdf (an article)
DBX 2150 Application notes
Dbx 202 VCA - schematic and data
NTP M-100 Discrete opamp, 1978
More versions of NTP M100 Schematics.pdf
NTP M-100 datasheet page 1
NTP M-100 datasheet page 2
RadioDesigners Handbook - RDH:
RadioDesigners Handbook - Ch.5 - Transformers
RadioDesigners Handbook - Ch.1 and 2 - Introduction to the radio valve
Other stuff:
Voltage multipliers with CMOS gates.pdf
Aphex_Exiter_II.PDF
RTW1227E PPM schematics
Behringer ADA-8000 8-ch AD/DA converter analouge sections
Westlake BBSM-10
Revox G36 tubed tape recorder Schematic
Beyer Dynamics catalouge page - audio transformers, 1969
Updated 15-02-2006